Multi Tone Generator Ic

Multi Tone Generator Circuit Multi Tone Generator Circuit

Multi Tone Generator Circuit Multi Tone Generator Circuit

Multi Sound Generator Circuit Engineering Projects

Multi Sound Generator Circuit Engineering Projects

Multi Sound Generator Electronics Project

Multi Sound Generator Electronics Project

Multi Tone Generator Circuit Diagram

Multi Tone Generator Circuit Diagram

Triple Mode Tone Generator Detailed Circuit Diagram Available

Triple Mode Tone Generator Detailed Circuit Diagram Available

Multitone Generator Circuit

Multitone Generator Circuit

Multitone Generator Circuit

The ad9833 is a low power programmable waveform generator capable of producing sine triangular and square wave outputs.

Multi tone generator ic.

Mx com mx503qa sequential tone encoder 16 pin dip ic. The schematic is given in this step. Um series ic is designed for tone generation. Tone generator ding dong bell using ic 8021 and transistors a simple tone generator is a cool circuit that everyone must build in their electronics learning process.

V cc supplied to pin 2 and pin 1 is directly grounded. In this tone generator the uncommitted op amp of the lowpass filter ic1 acts as a summing amplifier. Knowing your tinnitus frequency can enable you to better target masking sounds and frequency discrimination training. This generator suits applications such as the tone generation portion of a test stimulus for cpm circuits.

No external components ar. The first 555 is wired as a low frequency oscillator to control the voltage controlling pin 5 of the second 555 ic. Free shipping on many items. The amplifier s gain level assures that 5v logic inputs will not cause clipping at the two tone output.

We ve designed this tone generator circuit using 8021 ic two transistors. The two 555 ic are use to produce an up down wailing siren. Circuit description of multi tone generator circuit the heart of the circuit multi tone generator is um5561 ic ic 1 and the entire circuit is built around it. Multi tone generator circuit diagram.

It is ideal to use in oscillators timer circuits sensor circuits triggering scrs etc. When you find a frequency that seems to match your tinnitus make sure you check frequencies one octave higher frequency 2. The eight tones produce by the circuit is divided by two channels and each channel contains four tones. The output frequency and phase are software programmable allowing easy tuning.

This tone generator circuit is suitable for indicators emergency alarms etc. If you have pure tone tinnitus this online frequency generator can help you determine its frequency. 2n2646 is a general purpose unijunction transistor. Generated sound output is taking from 6 7 8 9 10 11 12 13 which is connected to one pole eight way switch as shown in circuit diagram.

The circuit consists of two astable multivibrator circuits one with a very low oscillation frequency and the other with a high frequency tone. Here the circuit for a simple beeper alarm using 555 ic which generates a beep beep tone. The heart of the circuit multi sound generator is monolithic l s i sound generator ic ht288 ht88 which is 18 pin dual lines ic. Waveform generation is required in various types of sensing actuation and time domain reflectometry tdr applications.

Multitone Siren Detailed Circuit Diagram Available

Multitone Siren Detailed Circuit Diagram Available

Multi Melody Generator With Instrumental Effect Circuit Diagram

Multi Melody Generator With Instrumental Effect Circuit Diagram

Multitone Generator Door Bell Circuit Diagram Electronics Circuit Circuit Dc Circuit

Multitone Generator Door Bell Circuit Diagram Electronics Circuit Circuit Dc Circuit

Tone Generator Using Two 555 Timers Electronics Area

Tone Generator Using Two 555 Timers Electronics Area

Multitone Generator Circuit Open Door Indicator Using Cd4001 Electronics Area

Multitone Generator Circuit Open Door Indicator Using Cd4001 Electronics Area

Tone Generator Circuit Simple Calling Bell Circuit

Tone Generator Circuit Simple Calling Bell Circuit

Multitone Siren Circuit Diagram And Instructions

Multitone Siren Circuit Diagram And Instructions

Um3561 Sound Effect Generator Circuits Electronics Projects Circuits

Um3561 Sound Effect Generator Circuits Electronics Projects Circuits

Simple Multi Tone Alarm Circuit With Diagram Op Amp

Simple Multi Tone Alarm Circuit With Diagram Op Amp

My Circuits 9 Simple Multitone Siren Circuit Circuit Siren Book Worth Reading

My Circuits 9 Simple Multitone Siren Circuit Circuit Siren Book Worth Reading

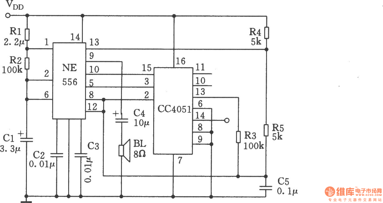
Multi Functional Sound Generator Composed Of Ne555 Cc4051 Noise Generator Signal Processing Circuit Diagram Seekic Com

Multi Functional Sound Generator Composed Of Ne555 Cc4051 Noise Generator Signal Processing Circuit Diagram Seekic Com

5 Circuits Of 555 Alarm Sound And Tone Generator Eleccircuit Com

5 Circuits Of 555 Alarm Sound And Tone Generator Eleccircuit Com

Op Amp Tone Generator Circuit Analog Circuits Circuit Generation

Op Amp Tone Generator Circuit Analog Circuits Circuit Generation

Multi Tone Generator Bell Electronics Circuit Generation Circuit

Multi Tone Generator Bell Electronics Circuit Generation Circuit

Three Tone Electronic Doorbell 2 Electrical Equipment Circuit Circuit Diagram Seekic Com

Three Tone Electronic Doorbell 2 Electrical Equipment Circuit Circuit Diagram Seekic Com

Multitone Siren Alarm Electronic Schematic Diagram

Multitone Siren Alarm Electronic Schematic Diagram

Sound Generator Circuit Using Ic Hk620

Sound Generator Circuit Using Ic Hk620

What Is Tone Generator Latest Application To Develop Melody And Siren Electrical Projects Circuit Electronics Projects

What Is Tone Generator Latest Application To Develop Melody And Siren Electrical Projects Circuit Electronics Projects

3

3

Electronic Projects Circuits Ic 555 Page 1 Chan 15290835 Rssing Com

Electronic Projects Circuits Ic 555 Page 1 Chan 15290835 Rssing Com

Alarm Sound Generator Page 3 Of 4 Engineering Projects

Alarm Sound Generator Page 3 Of 4 Engineering Projects

Learn Melody Tone Generator Circuits Using Ht82207 Um3491 Mm5837 Eleccircuit Com Sound Effects Audio Amplifiers Generation

Learn Melody Tone Generator Circuits Using Ht82207 Um3491 Mm5837 Eleccircuit Com Sound Effects Audio Amplifiers Generation

Grasshopper Sound Generator Circuit Using 555 Timer Ic

Grasshopper Sound Generator Circuit Using 555 Timer Ic

Learn Melody Tone Generator Circuits Using Ht82207 Um3491 Mm5837 Eleccircuit Com Music Tones Electronics Circuit Electronics Projects

Learn Melody Tone Generator Circuits Using Ht82207 Um3491 Mm5837 Eleccircuit Com Music Tones Electronics Circuit Electronics Projects

Source : pinterest.com