Suburban 12 Gallon Gas Electric Water Heater Sw12de

Suburban Sw12de 5247a Porcelain Lined Steel Tank Water Heater

Suburban Sw12de 5247a Porcelain Lined Steel Tank Water Heater

Suburban 12 Gallon Water Heater

Suburban 12 Gallon Water Heater

Suburban 12 Gallon Sw12de Water Heater For Visone Rv For Sale Online Ebay

Suburban 12 Gallon Sw12de Water Heater For Visone Rv For Sale Online Ebay

Suburban 12 Gallon Gas Electric Water Heater Sw12de

Suburban 12 Gallon Gas Electric Water Heater Sw12de

Amazon Com Suburban Sw12de 12 G Direct Spark Elec Elmnt 5247a Automotive

Amazon Com Suburban Sw12de 12 G Direct Spark Elec Elmnt 5247a Automotive

Suburban Direct Spark Ignition With Electric Element De Gas Water Heater 12 Gallons Camping World

Suburban Direct Spark Ignition With Electric Element De Gas Water Heater 12 Gallons Camping World

Suburban Direct Spark Ignition With Electric Element De Gas Water Heater 12 Gallons Camping World

24 l x 47 6 w x 16 7 d inches.

Suburban 12 gallon gas electric water heater sw12de.

Water heater troubleshooting pdf p a g e 1 version. That s why suburban uses a porcelain lined st. Do i have to shut it off when traveling down the road or i can leave it on. A wide variety of sizes and options for suburban rv water heaters available at great prices and ready for immediate shipment.

1 16 of 52 results for suburban sw12de water heater. Only 3 left in stock order soon. 1 3 june 13 2015 water heater troubleshooting repair suburban this guide is intended to assist heartland owners in troubleshooting and repairing common failures of the suburban water heater. Can i replace the 6 gallon suburban heater with the 12 gallon model without any major changes.

Direct vent gas water heater direct spark ignition dsi for installation in recreational vehicles and mobile housing. Great prices on all 6 and 10 gallon suburban rv water heaters and repair parts. 12 gallon suburban water heater direct spark and electric ignition the sw12 series has all the features of our popular sw10 series plus increased capacity. Gas heating operation instructions.

The exact measurements of suburban sw12de are. Suburban rv water heaters 6 10 12 gal ppl motor homes close menu. It includes our two year parts and labor limited and third year tank limited. For higher recovery use the gas and optional electric element water heaters which use a 1 440 watt element to recover an additional 6 gallons per hour.

This document doesn t specifically cover the atwood design. Suburban water heater 12 gallon. 16 3 8 high 16 3 8 wide 20 1 4 deep. Sw12de 5247a oem 5147a or 5147f cut out dimensions are.

4 6 out of 5 stars 90. Heated water attacks all metals but not porcelain. Suburban sw12de 5247a porcelain lined steel tank rv water heater the best water heaters on the road today suburban s line of water heaters includes high recovery gas gas electric and motor aid models with sizes and features to match the requirements of almost any rv. You can leave it on when traveling without experiencing any issues.

Enter a new vehicle suburban 1236 2037 12 gallon gas and electric water heater with dark spark ignition. Suburban sw12de manuals.

New Suburban Sw12de 12 Gallon Dsi Combo Gas Electric Rv Motorhome Trailer Water Heater Basic Rv

New Suburban Sw12de 12 Gallon Dsi Combo Gas Electric Rv Motorhome Trailer Water Heater Basic Rv

Suburban Sw12de Electronic Ignition Dsi With Electric 12 Gallon Water Heater For Sale Online Ebay

Suburban Sw12de Electronic Ignition Dsi With Electric 12 Gallon Water Heater For Sale Online Ebay

Suburban Water Heater Sw10de Direct Spark Ignition Electric 5243a Suburban Rv Parts

Suburban Water Heater Sw10de Direct Spark Ignition Electric 5243a Suburban Rv Parts

New Suburban Sw12de 12 Gallon Dsi Combo Gas Electric Rv Motorhome Trailer Water Heater Water Heaters Amazon Canada

New Suburban Sw12de 12 Gallon Dsi Combo Gas Electric Rv Motorhome Trailer Water Heater Water Heaters Amazon Canada

Suburban 12 Gallon Gas Electric Sw12del Rv Water Heater Camper Dsi Lp

Suburban 12 Gallon Gas Electric Sw12del Rv Water Heater Camper Dsi Lp

Suburban 12 Gallon Rv Water Heater

Suburban 12 Gallon Rv Water Heater

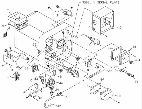
Suburban Water Heater Model Sw12del Parts Pdxrvwholesale

Suburban Water Heater Model Sw12del Parts Pdxrvwholesale

Suburban Water Heater Model Sw12de Parts Pdxrvwholesale

Suburban Water Heater Model Sw12de Parts Pdxrvwholesale

New Suburban Sw10pe 10 Gallon Gas Electric Combo Rv Motorhome Trailer Water Heater 5123a With White Door Basic Rv

New Suburban Sw10pe 10 Gallon Gas Electric Combo Rv Motorhome Trailer Water Heater 5123a With White Door Basic Rv

Trekwood Rv Parts Avalanche 2013 Appliances Water Heater Water Heater 12 Gal Dsi Sw12de W O Switch 1 Pack

Trekwood Rv Parts Avalanche 2013 Appliances Water Heater Water Heater 12 Gal Dsi Sw12de W O Switch 1 Pack

Rv Water Heater Door

Rv Water Heater Door

Suburban Mfg Water Heater 5322a Highskyrvparts Com

Suburban Mfg Water Heater 5322a Highskyrvparts Com

Suburban Water Heater Sw10de Owners Manual

Suburban Water Heater Sw10de Owners Manual

Http Waterheatertimer Org Pdf Suburban Water Heater Service Manual Pdf

Http Waterheatertimer Org Pdf Suburban Water Heater Service Manual Pdf

Suburban Sw6de Gas Electric 110v Rv Hot Water Heater 6 Gallon Camper Tinyhome For Sale Online Ebay

Suburban Sw6de Gas Electric 110v Rv Hot Water Heater 6 Gallon Camper Tinyhome For Sale Online Ebay

Replacing Our Suburban Hot Water Heater Youtube

Replacing Our Suburban Hot Water Heater Youtube

Suburban Hot Water Heater Parts

Suburban Hot Water Heater Parts

Suburban Water Heater 520814 Ignition Control Board Rvpartsexpress Com

Suburban Water Heater 520814 Ignition Control Board Rvpartsexpress Com

Https Encrypted Tbn0 Gstatic Com Images Q Tbn 3aand9gcrzvu7tvqyrqfbsq4f Oeg2jeheaevpsydspr264ekfuzjtjga4 Usqp Cau

Https Encrypted Tbn0 Gstatic Com Images Q Tbn 3aand9gcrzvu7tvqyrqfbsq4f Oeg2jeheaevpsydspr264ekfuzjtjga4 Usqp Cau

Suburban Water Heaters 12 Gallon 09 0076 By Ppl

Suburban Water Heaters 12 Gallon 09 0076 By Ppl

Rv Water Heater Reset Button

Rv Water Heater Reset Button

Suburban Hot Water Heater 6 Gallon Pilot Light Sw6p 5117a Rv Water Heater Solar Energy Panels Solar Panel Installation

Suburban Hot Water Heater 6 Gallon Pilot Light Sw6p 5117a Rv Water Heater Solar Energy Panels Solar Panel Installation

Suburban Water Heater Access Door 6259aeb 10 12 16 Gallon Flush Mount Suburban Rv Parts

Suburban Water Heater Access Door 6259aeb 10 12 16 Gallon Flush Mount Suburban Rv Parts

Page 146 2019 Catalog Full

Page 146 2019 Catalog Full

Source : pinterest.com